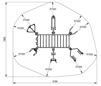
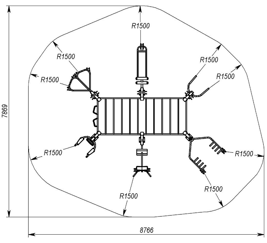
Мультіфітнес станція InterAtletika SM802 Max призначена для спортивних занять на вулиці.
Він складається з: упору для віджимань, платформи для кроку, брусів, упору (стійки) для преса, рукохіду, турніки, гиперєкстензии і лави для преса.
Особливості
Комплекс бетонується.
Експлуатаційні обмеження
Вага людини не повинна перевищувати 120 кг.
Забороняється
Забороняється використовувати гімнастичний комплекс при поганих погодних умовах (ожеледь, снігопад, дощ, град, поривчастий вітер).